Оригинальные каталоги
| № | Номер | Наименование | Цена | |
|---|---|---|---|---|
| ВК418Д | ВК418Д | Выключатель фонарей заднего хода | Нет в продаже |
|
| МЭ255 | МЭ255 | Электродвигатель отопителя водителя | Нет в продаже |
|
| ПР119-Б-01 | ПР119-Б-01 | Предохранитель подогревателя | Нет в продаже |
|
| 82.3709-01.29 | 82.3709-01.29 | Переключатель управления свечами накаливания | Нет в продаже |
|
| АС12-5 | АС12-5 | Лампа фонаря | Нет в продаже |
|
| АКГ60+55 | АКГ60+55 | Лампа | Нет в продаже |
|
| А12-5 | А12-5 | Лампа | Нет в продаже |
|
| А12-21-3 | А12-21-3 | Лампа переднего указателя поворота | Нет в продаже |
|
| А12-1,2 | А12-1,2 | Лампа | Нет в продаже |
|
| 2202.3803-31-А | 2202.3803-31-А | Контрольная лампа включения свечей накаливания | Нет в продаже |
|
| ВК409 | ВК409 | Датчик контроля аварийной двери | Нет в продаже |
|
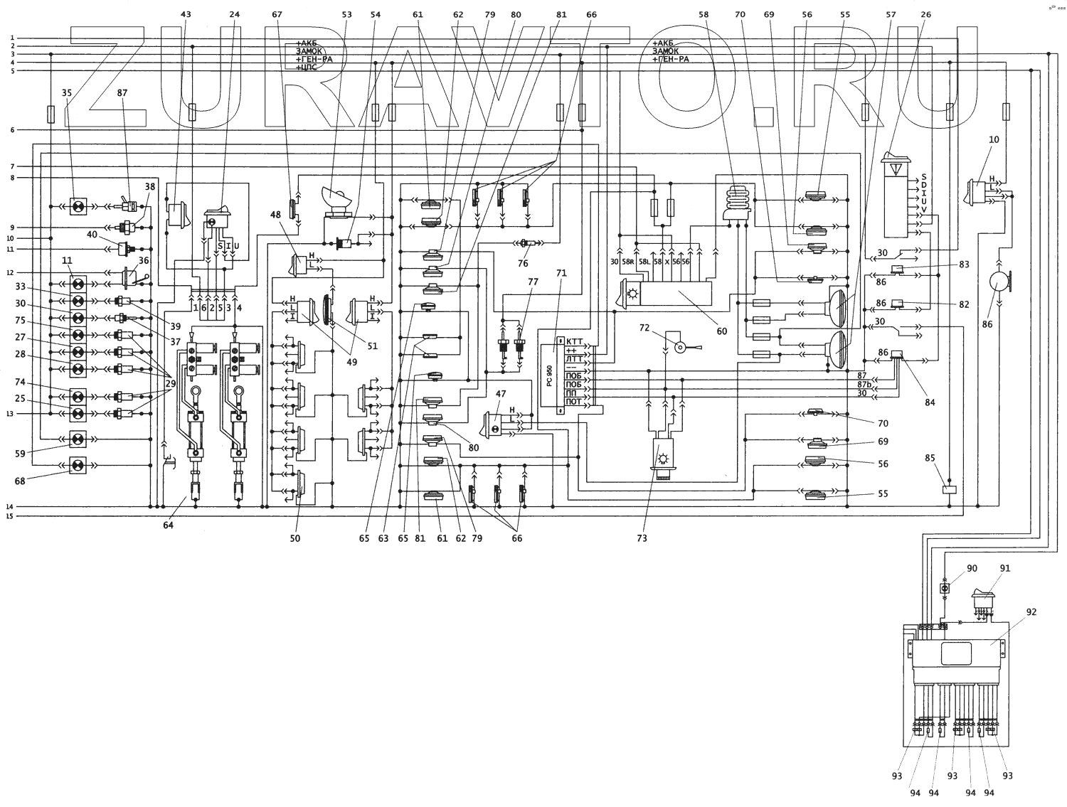
| 1 | 77.3709-02.30 | Выключатель стеклоомывателя | Нет в продаже |
|
| 2 | 28.3771 | Генератор переменного тока со встроенным ИРН | Нет в продаже |
|
| 3 | 1302.3737 | Выключатель аккумуляторной батареи | Нет в продаже |
|
| 4 | 6СТ132 | Батарея аккумуляторная | Нет в продаже |
|
| 5 | 11.3722 | Блок предохранителей | Нет в продаже |
|
| 5 | 05.3722.001 | Блок предохранителей | Нет в продаже |
|
| 6 | 1122.5208 | Стеклоомыватель | Нет в продаже |
|
| 6 | 122.5208 | Стеклоомыватель | Нет в продаже |
|
| 7 | 351.3730 | Насос отопителя | Нет в продаже |
|
| 8 | 1902.3704 | Выключатель зажигания | Нет в продаже |
|
| 9 | ЭМ19 | Клапан электромагнитный | Нет в продаже |
|
| 10 | 82.3709-01.24 | Выключатель осушителя воздуха в тормозной системе | Нет в продаже |
|
| 11 | 2202.3803-19-А | Контрольная лампа резерва топлива | Нет в продаже |
|
| 12 | 82.3709-01.00 | Выключатель циркуляционного насоса | Нет в продаже |
|
| 13 | 82.3709-01.23 | Выключатель подогрева | Нет в продаже |
|
| 14 | 151.8106 | Подогреватель с блоком управления 311.3761 | Нет в продаже |
|
| 15 | 90.3747 | Реле стартера | Нет в продаже |
|
| 15 | 738.3747 | Реле стартера | Нет в продаже |
|
| 16 | 24.3708 | Стартер | Нет в продаже |
|
| 17 | С303Д | Сигнал звуковой высокого тона | Нет в продаже |
|
| 18 | С302Д | Сигнал звуковой низкого тона | Нет в продаже |
|
| 19 | ПР112 | Блок плавких предохранителей | Нет в продаже |
|
| 20 | 90.3747 | Реле стартера | Нет в продаже |
|
| 21 | 82.3709-04.09 | Переключатель электродвигателя отопителя салона | Нет в продаже |
|
| 22 | МЭ255 | Электродвигатель отопителя водителя | Нет в продаже |
|
| 23 | Кнопочный выключатель звуковых сигналов | Кнопочный выключатель звуковых сигналов | Нет в продаже |
|
| 24 | 77.3709-04.19 | Выключатель управления приводом двери | Нет в продаже |
|
| 24 | 77.3709-02.19 | Переключатель управления двери | Нет в продаже |
|
| 25 | 2202.3803-03-А | Контрольная лампа неисправности пневмопривода пассажирской двери | Нет в продаже |
|
| 26 | П150-07.25 | Аварийный выключатель | Нет в продаже |
|
| 27 | 2202.3803-01-А | Контрольная лампа падения давления воздуха 1 контура | Нет в продаже |
|
| 28 | 2202.3803-02-А | Контрольная лампа падения давления воздуха 2 контура | Нет в продаже |
|
| 29 | ММ124-Д | Датчик аварийного давления воздуха | Нет в продаже |
|
| 29 | 2702.3829 | Датчик аварийного давления воздуха | Нет в продаже |
|
| 30 | 2202.3803-22-А | Контрольная лампа перегрева охлаждающей жидкости | Нет в продаже |
|
| 31 | 36.3801 | Комбинация приборов | Нет в продаже |
|
| 32 | 48.3802 | Спидометр | Нет в продаже |
|
| 33 | 2202.3803-23-А | Контрольная лампа аварийного давления масла | Нет в продаже |
|
| 34 | 3691.3813 | Тахометр | Нет в продаже |
|
| 35 | 2202.3802-20-А | Контрольная лампа засоренности воздушного фильтра | Нет в продаже |
|
| 36 | 5402.3827 | Датчик уровня топлива | Нет в продаже |
|
| 37 | ТМ111 | Датчик аварийной температуры охлаждающей жидкости | Нет в продаже |
|
| 38 | ТМ100-В | Датчик указателя температуры охлаждающей жидкости | Нет в продаже |
|
| 39 | 2602.3829 | Датчик аварийного давления масла | Нет в продаже |
|
| 39 | ММ111 | Датчик аварийного давления масла | Нет в продаже |
|
| 40 | 18.3829 | Датчик указателя давления масла | Нет в продаже |
|
| 41 | 82.3709-01.14 | Переключатель вентилятора обдува ветрового стекла | Нет в продаже |
|
| 42 | 49.3780 | Электродвигатель вентилятора обдува лобовых стекол | Нет в продаже |
|
| 42 | 52.3780 | Электродвигатель | Нет в продаже |
|
| 43 | 2812.3710-01 | Выключатель экстренного открывания двери | Нет в продаже |
|
| 44 | 56.5205 | Стеклоочиститель левый | Нет в продаже |
|
| 45 | 82.3709-08.16 | Переключатель стеклоочистителей | Нет в продаже |
|
| 46 | 57.5205 | Стеклоочиститель правый | Нет в продаже |
|
| 47 | 82.3709-01.07 | Выключатель противотуманных фонарей | Нет в продаже |
|
| 48 | 82.3709-01.13 | Выключатель плафона водителя | Нет в продаже |
|
| 49 | 82.3709-01.12 | Выключатель плафонов освещения салона | Нет в продаже |
|
| 50 | 2902.3714 | Плафон освещения салона | Нет в продаже |
|
| 51 | 2802.3714 | Плафон освещения места водителя | Нет в продаже |
|
| 52 | АМН12-3 | Лампа освещения приборов | Нет в продаже |
|
| 53 | ПД308-Б | Лампа подкапотная | Нет в продаже |
|
| 54 | ПС500 | Розетка | Нет в продаже |
|
| 55 | ПФ116 | Передний габаритный фонарь | Нет в продаже |
|
| 56 | ПФ116 | Передний габаритный фонарь | Нет в продаже |
|
| 57 | 62.3711-01 | Фара головного света | Нет в продаже |
|
| 58 | П53-АБ | Переключатель головного света | Нет в продаже |
|
| 59 | 2202.3803-28-А | Контрольная лампа включения дальнего света головных фар | Нет в продаже |
|
| 60 | 581.3710 | Центральный переключатель света | Нет в продаже |
|
| 61 | ФП116 | Фонарь габаритный задний верхний | Нет в продаже |
|
| 62 | ФП116 | Фонарь габаритный задний верхний | Нет в продаже |
|
| 63 | 15.3717 | Фонарь освещения номерного знака | Нет в продаже |
|
| 64 | МД05 | Механизм управления пассажирской дверью | Нет в продаже |
|
| 65 | 2452.3716 | Фонарь задний противотуманный | Нет в продаже |
|
| 66 | 43.3731 | Фонарь боковой габаритный (маркерный) | Нет в продаже |
|
| 66 | 43.3731-01 | Фонарь боковой габаритный (маркерный) | Нет в продаже |
|
| 67 | 2602.3714-01 | Плафон освещения посадочной площадки | Нет в продаже |
|
| 68 | 2202.3803-07-А | Контрольная лампа включения сигнала поворота | Нет в продаже |
|
| 69 | УП115 | Передний указатель поворота | Нет в продаже |
|
| 70 | 141.3726 | Повторитель указателя поворота боковой | Нет в продаже |
|
| 71 | РС950К | Реле указателей поворотов | Нет в продаже |
|
| 72 | П105А-03 | Переключатель указателей поворотов | Нет в продаже |
|
| 72 | П110В-04 | Переключатель указателей поворотов | Нет в продаже |
|
| 73 | 249.3710-01 | Выключатель аварийной сигнализации | Нет в продаже |
|
| 73 | 245.3710-02 | Выключатель аварийной сигнализации | Нет в продаже |
|
| 74 | 2202.3803-04-А | Контрольная лампа падения давления воздуха 4 контура | Нет в продаже |
|
| 75 | 2202.3803-05-А | Контрольная лампа включения режима торможения | Нет в продаже |
|
| 76 | ВК418А | Выключатель фонарей заднего хода | Нет в продаже |
|
| 77 | 2802.3829 | Датчик включения сигналов торможения | Нет в продаже |
|
| 77 | ММ125-Д | Датчик включения сигналов торможения | Нет в продаже |
|
| 78 | ПР117-01 | Предохранитель подогревателя | Нет в продаже |
|
| 79 | УП115-Б | Задний указатель поворота | Нет в продаже |
|
| 80 | ФП115 | Фонарь задний сигнала «стоп» | Нет в продаже |
|
| 81 | ФП117 | Фонарь заднего хода | Нет в продаже |
|
| 82 | 90.3747 | Реле стартера | Нет в продаже |
|
| 83 | 90.3747 | Реле стартера | Нет в продаже |
|
| 84 | 738.3747 | Реле стартера | Нет в продаже |
|
| 85 | ЭКТ12 | Электромагнитный топливный клапан | Нет в продаже |
|
| 86 | LА-6277 | Воздухоосушитель в сборе | Нет в продаже |
|
| 87 | 131.3839 | Датчик засоренности воздушного фильтра | Нет в продаже |
|
| 87 | ДСФ-65 | Датчик засоренности воздушного фильтра | Нет в продаже |
|
| 88 | 733.3747 | Сигнализатор шумовой | Нет в продаже |
|
| 89 | 2812.3710-03 | Выключатель сигнала водителю | Нет в продаже |
|
| 90 | 2202.3803-53 | Контрольная лампа АБС | Нет в продаже |
|
| 91 | 77.3709-02.00 | Переключатель контроля АБС | Нет в продаже |
|
| 92 | 0 486 104 019 | Блок управления АБС | Нет в продаже |
|
| 93 | 0 486 201 010 | Модулятор АБС | Нет в продаже |
|
| 94 | 0 486 001 030 | Датчик АБС | Нет в продаже |
|
| 94 | 0 486 001 016 | Датчик АБС | Нет в продаже |
|
10
11
24
24
25
26
27
28
29
29
30
33
35
36
37
38
39
39
40
43
47
48
49
50
51
53
54
55
55
56
56
57
58
59
60
61
61
62
62
63
64
65
65
66
66
66
67
68
69
69
70
70
71
72
72
73
73
74
75
76
77
77
79
79
80
80
81
81
82
83
84
85
86
87
87
90
91
92
93
93
93
94
94
94
94
94
Содержащиеся в справочниках-каталогах запасные части и детали носят исключительно информационный характер