Оригинальные каталоги
| № | Номер | Наименование | Цена | |
|---|---|---|---|---|
| 53А-1702010-02 | 53А-1702010-02 | Верхняя крышка коробки передач в сборе | Нет в продаже |
|
| ВК-52-1702004 | ВК-52-1702004 | Верхняя крышка коробки передач с рычагом в сборе | Нет в продаже |
|
| 52-1702094 | 52-1702094 | Головка включения заднего хода коробки передач в сборе | Нет в продаже |
|
| 252136-П2 | 252136-П2 | Шайба 10 ОТ ОСТ 37.001.115-75 | Нет в продаже |
|
| 258252-П | 258252-П | Шплинт 1,2х150 ОСТ 37.001.172-92 | Нет в продаже |
|
| 258253-П | 258253-П | Шплинт 1,2х175 ОСТ 37.001.172-92 | Нет в продаже |
|
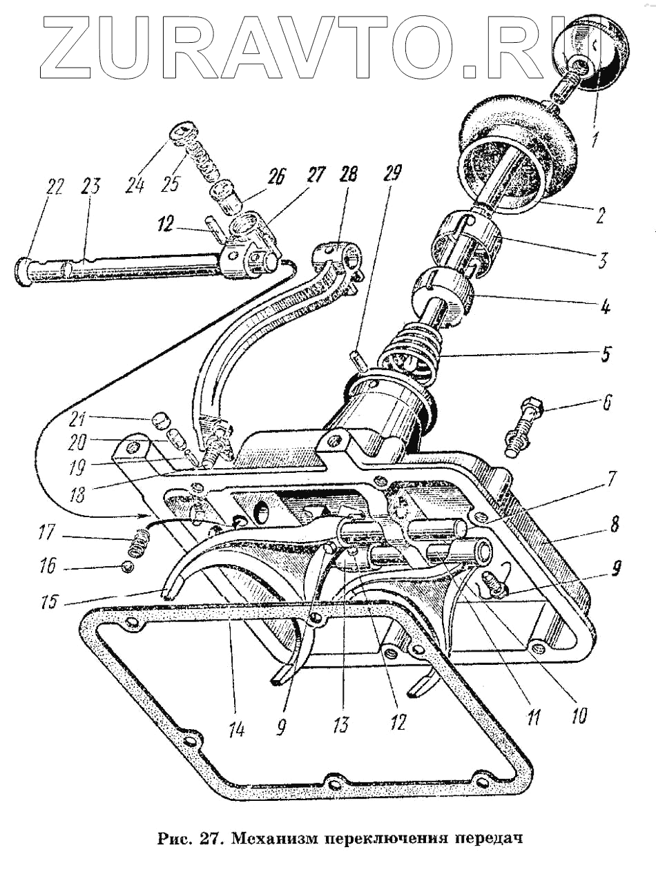
| 1 | 51-1703088 | Рукоятка в сборе | Нет в продаже |
|
| 2 | 53А-1702128-01 | Колпак защитный верхней крышки | Нет в продаже |
|
| 3 | 53А-1702126 | Колпак верхней крышки коробки передач | Нет в продаже |
|
| 4 | 53А-1702120 | Рычаг переключения передач | Нет в продаже |
|
| 5 | 53А-1702122 | Пружина рычага переключения передач | Нет в продаже |
|
| 6 | 201505-П8 | Болт М10-6gх45 | Нет в продаже |
|
| 7 | 53-1702041 | Шток переключения третьей и четвертой передач | Нет в продаже |
|
| 8 | 53А-1702015-02 | Верхняя крышка коробки передач | Нет в продаже |
|
| 9 | 290766-П | Винт М10х1-6hх17,5 | Нет в продаже |
|
| 10 | 53-1702024-02 | Вилка переключения первой и второй передач | Нет в продаже |
|
| 11 | 53-1702060-10 | Шток переключения первой и второй передач | Нет в продаже |
|
| 12 | 258948-П8 | Штифт 5х25 | Нет в продаже |
|
| 13 | 52-1702025-01 | Головка штока переключения первой и второй передач | Нет в продаже |
|
| 14 | 52-1702016 | Прокладка верхней крышки коробки передач | Нет в продаже |
|
| 15 | 53-1702027-22 | Вилка переключения третьей к четвертой передач | Нет в продаже |
|
| 16 | 263014-П | Шарик диам. 9 фиксатора механизма переключения передач БIV 9,525 мм | Нет в продаже |
|
| 17 | ААА-7234 | Пружина стопорного шарика механизма переключения передач | Нет в продаже |
|
| 18 | 201497-П8 | Болт М10х25 | Нет в продаже |
|
| 19 | 52-1702075 | Палец штока переключения третьей и четвертой передач стопорный | Нет в продаже |
|
| 20 | 52-1702080 | Плунжер стопорный штоков переключения передач | Нет в продаже |
|
| 21 | 52-1702089-01 | Заглушка отверстия плунжеров штока переключения | Нет в продаже |
|
| 22 | 260307-П | Заглушка 20 | Нет в продаже |
|
| 23 | 52-1702042-Б | Шток переключения заднего хода | Нет в продаже |
|
| 24 | 52-1702099 | Стопор пружины | Нет в продаже |
|
| 25 | 52-1702098 | Пружина предохранителя включения заднего хода коробки передач | Нет в продаже |
|
| 26 | 52-1702097 | Предохранитель включений первой и второй передач и заднего хода | Нет в продаже |
|
| 27 | 52-1702095-01 | Головка штока заднего хода коробки передач | Нет в продаже |
|
| 28 | 52-1702092 | Вилка включения заднего хода коробки передач | Нет в продаже |
|
| 29 | 295023-П | Штифт 6х20 | Нет в продаже |
|
1
2
3
4
5
6
7
8
9
9
10
11
12
12
13
14
15
16
17
18
19
20
21
22
23
24
25
26
27
28
29
Содержащиеся в справочниках-каталогах запасные части и детали носят исключительно информационный характер