Оригинальные каталоги
| № | Номер | Наименование | Цена | |
|---|---|---|---|---|
| 130-1007115 | 130-1007115 | Винт коромысел регулировочный с головкой в сборе | Нет в продаже |
|
| 130-1007032-БР1 | 130-1007032-БР1 | Втулка впускного клапана направляющая, увеличенная на 0,3 мм | Нет в продаже |
|
| 130-1007033-Р1 | 130-1007033-Р1 | Втулка выпускного клапана направляющая, увеличенная на 0,3 мм | Нет в продаже |
|
| 130-1007098 | 130-1007098 | Коромысло клапанов с осью и стойками в сборе | Нет в продаже |
|
| 130-1007079-Р1 | 130-1007079-Р1 | Седло впускного клапана, увеличенное на 0,3 мм | Нет в продаже |
|
| 130-1007080-Р1 | 130-1007080-Р1 | Седло выпускного клапана, увеличенное на 0,3 мм | Нет в продаже |
|
| 130-1007105 | 130-1007105 | Стойка оси коромысла клапанов центрирующая с втулкой в сборе | Нет в продаже |
|
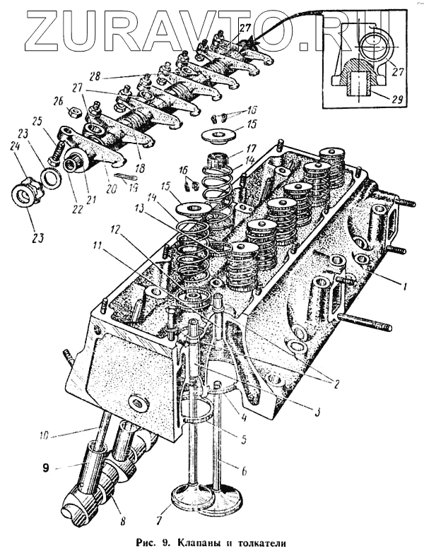
| 1 | 130-1003012-Б | Головка блока цилиндров с седлами и направляющими втулками клапанов в сборе | Нет в продаже |
|
| 2 | 307775-П | Кольцо направляющей втулки пружинное | Нет в продаже |
|
| 3 | 130-1007033 | Втулки выпускного клапана направляющая | Нет в продаже |
|
| 4 | 130-1007079 | Седло впускного клапана | Нет в продаже |
|
| 5 | 130-1007080 | Седло выпускного клапана | Нет в продаже |
|
| 6 | 130-1007010-Б1 | Клапан впускной | Нет в продаже |
|
| 7 | 130-1007015-Б1 | Клапан впускной в сборе | Нет в продаже |
|
| 8 | 130-1006015 | Вал распределительный | Нет в продаже |
|
| 9 | 130-1007055-А | Толкатель клапана | Нет в продаже |
|
| 10 | 130-1007176-А2 | Штанга толкателя клапана | Нет в продаже |
|
| 11 | 130-1007032-Б | Втулка впускного клапана направляющая | Нет в продаже |
|
| 12 | 130-1007310 | Механизм вращения выпускного клапана в сборе | Нет в продаже |
|
| 13 | 130-1007023 | Шайба пружины впускного клапана | Нет в продаже |
|
| 14 | 130-1007020 | Пружина клапана | Нет в продаже |
|
| 15 | 130-1007024-Б | Тарелка пружины клапана | Нет в продаже |
|
| 16 | 130-1007028 | Сухарь клапана | Нет в продаже |
|
| 17 | 130-1007014-Б2 | Манжета впускного клапана | Нет в продаже |
|
| 18 | 130-1007127 | Пружина коромысел распорная | Нет в продаже |
|
| 19 | 258027-П | Шплинт | Нет в продаже |
|
| 20 | 130-1007110 | Коромысло клапанов с втулкой в сборе | Нет в продаже |
|
| 20 | 130-1007110-А | Коромысло клапанов с втулкой в сборе | Нет в продаже |
|
| 21 | 130-1007118 | Втулка коромысла | Нет в продаже |
|
| 22 | 130-1007100 | Ось коромысла с заглушками в сборе | Нет в продаже |
|
| 23 | 305608-П8 | Шайба оси коромысел | Нет в продаже |
|
| 24 | 305765-П | Шайба оси коромысел пружинная специальная | Нет в продаже |
|
| 25 | 130-1007117 | Винт коромысел регулировочный | Нет в продаже |
|
| 26 | 130-1007073 | Гайка регулировочного винта | Нет в продаже |
|
| 27 | 130-1007107 | Стойка оси коромысла клапанов | Нет в продаже |
|
| 28 | 130-1007106 | Стойка оси коромысла клапанов маслоотводная | Нет в продаже |
|
| 29 | 130-1007111 | Втулка стойки центрирующая | Нет в продаже |
|
1
2
3
4
5
6
7
8
9
10
11
12
13
14
15
16
17
18
19
20
20
21
22
23
24
25
26
27
28
29
Содержащиеся в справочниках-каталогах запасные части и детали носят исключительно информационный характер