Оригинальные каталоги
| № | Номер | Наименование | Цена | |
|---|---|---|---|---|
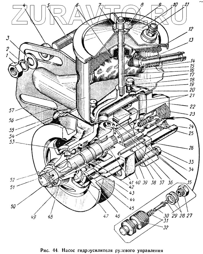
| 200327-П8 | 200327-П8 | Болт крепления крышки насоса верхний | Нет в продаже |
|
| 130-3407194 | 130-3407194 | Насос гидроусилителя руля в сборе и инструкция (комплект) | Нет в продаже |
|
| 130-3407244 | 130-3407244 | Ротор, статор и лопасти насоса гидроусилителя руля (комплект) | Нет в продаже |
|
| 1 | 250515-П8 | Гайка | Нет в продаже |
|
| 2 | 252137-П2 | Шайба пружинная | Нет в продаже |
|
| 3 | 252007-П8 | Шайба | Нет в продаже |
|
| 4 | 305830-П8 | Шайба | Нет в продаже |
|
| 5 | 307175-П8 | Шпилька крепления кронштейна | Нет в продаже |
|
| 6 | 130-3407328 | Фильтр насоса заливной в сборе | Нет в продаже |
|
| 7 | 3013342-П | Кольцо шпильки уплотнительное | Нет в продаже |
|
| 8 | 251513-П8 | Гайка-барашек | Нет в продаже |
|
| 9 | 305603-П8 | Шайба шпильки | Нет в продаже |
|
| 10 | 130-3407400 | Крышка бачка насоса в сборе | Нет в продаже |
|
| 11 | 308387-П | Клапан предохранительный в сборе | Нет в продаже |
|
| 12 | 130-3407413 | Прокладка крышки Сачка уплотнительная | Нет в продаже |
|
| 13 | 130-3407363 | Пружина клапана фильтра | Нет в продаже |
|
| 14 | 130-3407362 | Чашка клапана фильтра | Нет в продаже |
|
| 15 | 130-3407338 | Фильтр насоса с фильтрующей тканью в сборе | Нет в продаже |
|
| 16 | 307183-П8 | Шпилька крепления крышки бачке | Нет в продаже |
|
| 17 | 201423-П8 | Болт крепления бачка и коллектора насоса | Нет в продаже |
|
| 18 | 252004-П | Шайба | Нет в продаже |
|
| 19 | 130-3407435-А | Коллектор насоса гидроусилителя руля | Нет в продаже |
|
| 20 | 130-3407439-А | Прокладка коллектора | Нет в продаже |
|
| 21 | 130-3407437 | Прокладка болтов креплении бачка уплотнительная | Нет в продаже |
|
| 22 | 130-3407213 | Крышка насоса | Нет в продаже |
|
| 23 | 130-3407281 | Пружина перепускного клапана | Нет в продаже |
|
| 24 | 300102-П | Седло уплотнительное | Нет в продаже |
|
| 25 | 130-3407270-А | Золотник насоса перепускной с предохранительным клапаном в сборе | Нет в продаже |
|
| 26 | 130-3407255 | Диск насоса распределительный | Нет в продаже |
|
| 27 | 130-3407277 | Седло предохранительного клапана насоса | Нет в продаже |
|
| 28 | 305644-П | Шайба регулировочная | Нет в продаже |
|
| 28 | 305851-П | Шайба регулировочная | Нет в продаже |
|
| 29 | 306231-П | Шарик предохранительного клапана | Нет в продаже |
|
| 30 | 130-3407275 | Направляющая пружины | Нет в продаже |
|
| 31 | 130-3407272 | Пружина предохранительного клапана | Нет в продаже |
|
| 32 | 130-3407271-А | Золотник насоса перепускной | Нет в продаже |
|
| 33 | 200323-П8 | Болт крепления крышки насоса нижний | Нет в продаже |
|
| 34 | 252136-П2 | Шайба пружинная | Нет в продаже |
|
| 35 | 130-3407252 | Кольцо корпуса и крышки насоси уплотнительное | Нет в продаже |
|
| 36 | 130-3407248 | Ротор насоса | Нет в продаже |
|
| 37 | 130-3407251 | Лопасть насоса | Нет в продаже |
|
| 38 | 130-3407253-А2 | Статор насоса | Нет в продаже |
|
| 39 | 305455-П | Штифт корпуса установочный | Нет в продаже |
|
| 40 | 130-3407211 | Корпус насоса | Нет в продаже |
|
| 41 | 306514-П | Подшипник корпуса насоса в сборе | Нет в продаже |
|
| 42 | 120-3509070-А2 | Сальник насоса в сборе | Нет в продаже |
|
| 43 | 130-3407059-А | Проставка насоса | Нет в продаже |
|
| 44 | 305811-П | Шайба | Нет в продаже |
|
| 45 | 306610-П | Подшипник насоса в сборе | Нет в продаже |
|
| 46 | 130-3407217 | Валик насоса | Нет в продаже |
|
| 47 | 130-3407247 | Втулка шкива | Нет в продаже |
|
| 48 | 252017-П8 | Шайба | Нет в продаже |
|
| 49 | 130-3407240-А2 | Шкив насоса | Нет в продаже |
|
| 50 | 250979-П8 | Гайка валика насоса | Нет в продаже |
|
| 51 | 258054-П8 | Шплинт крышки картера | Нет в продаже |
|
| 52 | 418251-П | Шпонка шкива | Нет в продаже |
|
| 53 | 307702-П2 | Кольцо подшипника насоса стопорное | Нет в продаже |
|
| 54 | 252137-П2 | Шайба пружинная | Нет в продаже |
|
| 55 | 201540-П8 | Болт крепления кронштейна глушителя | Нет в продаже |
|
| 56 | 130-3407300 | Бачок насоса гидроусилителя руля в сборе | Нет в продаже |
|
| 57 | 130-3407203 | Кронштейн крепления насоса к головке блока цилиндров двигателя | Нет в продаже |
|
1
2
3
4
5
6
7
8
9
10
11
12
13
14
15
16
17
18
19
20
21
22
23
24
25
26
27
28
28
29
30
31
32
33
34
35
36
37
38
39
40
41
42
43
44
45
46
47
48
49
50
51
52
53
54
55
56
57
Содержащиеся в справочниках-каталогах запасные части и детали носят исключительно информационный характер