Назад

Оригинальные каталоги

zoom-in zoom-out enlarge shrink circle-right circle-left file-text2 info cart
Номер Наименование Цена
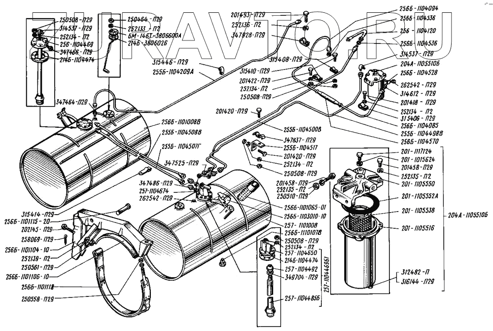
256-1104469 256-1104469 Топливозаборник с сеткой и обоймой Нет в продаже
204А-1105510-Б 204А-1105510-Б Фильтр топливный грубой очистки в сборе Нет в продаже
256Б-1101110 256Б-1101110 Хомут крепления топливного бака Нет в продаже
252133-П2 252133-П2 Шайба 5 пружинная Нет в продаже
252134-П2 252134-П2 Шайба 6 пружинная Нет в продаже
252135-П2 252135-П2 Шайба 8 пружинная Нет в продаже
252136-П2 252136-П2 Шайба 10 пружинная Нет в продаже
252139-П2 252139-П2 Шайба 16 пружинная Нет в продаже
312482-П 312482-П Шайба 10,5 Нет в продаже
256Б-1101065-01 256Б-1101065-01 Фильтр наливной трубы Нет в продаже
255Б-1104517 255Б-1104517 Угольник скобы крепления топливопроводов Нет в продаже
255Б-1104507-Г 255Б-1104507-Г Трубка топливная от крана к левому баку в сборе Нет в продаже
255Б-1104498-В 255Б-1104498-В Трубка топливная от крана к фильтру грубой очистки в сборе Нет в продаже
255Б-1104508-В 255Б-1104508-В Трубка топливная от левого бака к крану в сборе Нет в продаже
256Б-1104085 256Б-1104085 Трубка топливная от фильтра грубой очистки к шлангу Нет в продаже
255Б-1104500-В 255Б-1104500-В Трубка топливная от фильтра тонкой очистки к крану в сборе Нет в продаже
255Б-1104209-А 255Б-1104209-А Трубка топливная от форсунок к баку в сборе Нет в продаже
256-1104094 256-1104094 Трубка топливная от шланга к топливоподкачивающему насосу Нет в продаже
314537-П29 314537-П29 Угольник ввертный К 1/4"хМ16х1,5 Нет в продаже
256Б-1104536 256Б-1104536 Шайба уплотнительная Нет в продаже
257-1104674 257-1104674 Шайба уплотнительная Нет в продаже
256Б-1104570 256Б-1104570 Шланг соединительный Нет в продаже
250508-П29 250508-П29 Гайка М6-6Н Нет в продаже
201420-П29 201420-П29 Болт М6х1х20 Нет в продаже
250508-П29 250508-П29 Гайка М6-6Н Нет в продаже
214Б-1104474 214Б-1104474 Прокладка фланца всасывающей трубы Нет в продаже
256Б-1104536 256Б-1104536 Шайба уплотнительная Нет в продаже
314537-П29 314537-П29 Угольник ввертный К 1/4"хМ16х1,5 Нет в продаже
252135-П2 252135-П2 Шайба 8 пружинная Нет в продаже
250508-П29 250508-П29 Гайка М6-6Н Нет в продаже
201458-П29 201458-П29 Болт М8х1,25х25 Нет в продаже
262542-П29 262542-П29 Пробка КГ 1/4" Нет в продаже
256-1104120 256-1104120 Шланг соединительный в сборе Нет в продаже
258069-П29 258069-П29 Шплинт разводной 5х36 Нет в продаже
314612-П29 314612-П29 Штуцер ввертный К 1/4"хМ16х1,5 Нет в продаже
347464-П29 347464-П29 Штуцер ввертный К 1/4"хМ10х1 Нет в продаже
347466-П29 347466-П29 Штуцер ввертный Нет в продаже
347486-П29 347486-П29 Штуцер 10 проходной Нет в продаже
347525-П29 347525-П29 Штуцер 8 проходной Нет в продаже
201-1105538 201-1105538 Элемент фильтрующий Нет в продаже
204А-1105510-Б 204А-1105510-Б Фильтр топливный грубой очистки в сборе Нет в продаже
256Б-1101008-В 256Б-1101008-В Бак топливный Нет в продаже
250510-П29 250510-П29 Гайка М8 Нет в продаже
250558-П29 250558-П29 Гайка М14х2 Нет в продаже
250561-П29 250561-П29 Гайка М16х1,5 Нет в продаже
349704-П29 349704-П29 Гайка М24х1 Нет в продаже
257-1104492 257-1104492 Гайка специальная Нет в продаже
315406-П29 315406-П29 Кляммер воздухопровода 8х10 Нет в продаже
315408-П29 315408-П29 Кляммер Нет в продаже
315410-П29 315410-П29 Кляммер Нет в продаже
250508-П29 250508-П29 Гайка М6-6Н Нет в продаже
250464-П29 250464-П29 Гайка М5х0,8 Нет в продаже
257-1101008 257-1101008 Бак топливный Нет в продаже
БМ146Т-3806600-А БМ146Т-3806600-А Датчик указателя уровня топлива Нет в продаже
201418-П29 201418-П29 Болт М6х1х16 Нет в продаже
201420-П29 201420-П29 Болт М6х1х20 Нет в продаже
201422-П29 201422-П29 Болт М6х1х25 Нет в продаже
201458-П29 201458-П29 Болт М8х1,25х25 Нет в продаже
201493-П29 201493-П29 Болт М10х1,5х16 Нет в продаже
202145-П29 202145-П29 Болт М16х1,5х45 Нет в продаже
315414-П29 315414-П29 Кляммер Нет в продаже
315446-П29 315446-П29 Кляммер Нет в продаже
347928-П29 347928-П29 Кляммер 10 Нет в продаже
256Б-1103010-10 256Б-1103010-10 Пробка топливного бака Нет в продаже
201-1117124 201-1117124 Пробка фильтра Нет в продаже
214Б-2806026 214Б-2806026 Прокладка Нет в продаже
256Б-1101106-10 256Б-1101106-10 Прокладка кронштейна Нет в продаже
201-1105552-А 201-1105552-А Прокладка крышки Нет в продаже
201-1015624 201-1015624 Прокладка пробки Нет в продаже
214Б-1104474 214Б-1104474 Прокладка фланца всасывающей трубы Нет в продаже
347837-П29 347837-П29 Скоба Нет в продаже
256Б-1101078 256Б-1101078 Пробка спускного крана Нет в продаже
316144-П29 316144-П29 Пробка М10х1 Нет в продаже
201-1105516 201-1105516 Корпус фильтра в сборе Нет в продаже
257-1104650 257-1104650 Кран распределительный в сборе Нет в продаже
257-1104469-Б1 257-1104469-Б1 Кран распределительный с топливозаборником в сборе Нет в продаже
256Б-1101104-10 256Б-1101104-10 Кронштейн крепления топливного бака Нет в продаже
201-1105550 201-1105550 Крышка топливного фильтра Нет в продаже
256Б-1101115-20 256Б-1101115-20 Палец хомута Нет в продаже
256Б-1104528 256Б-1104528 Переходник Нет в продаже
262542-П29 262542-П29 Пробка КГ 1/4" Нет в продаже
257-1104485-Б 257-1104485-Б Топливозаборник Нет в продаже
256-1104469
204А-1105510-Б
256Б-1101110
252133-П2
252134-П2
252134-П2
252134-П2
252134-П2
252134-П2
252135-П2
252136-П2
252139-П2
312482-П
256Б-1101065-01
255Б-1104517
255Б-1104507-Г
255Б-1104498-В
255Б-1104508-В
256Б-1104085
255Б-1104500-В
255Б-1104209-А
256-1104094
314537-П29
256Б-1104536
257-1104674
256Б-1104570
250508-П29
201420-П29
250508-П29
214Б-1104474
256Б-1104536
314537-П29
252135-П2
250508-П29
201458-П29
262542-П29
256-1104120
258069-П29
314612-П29
347464-П29
347466-П29
347486-П29
347525-П29
201-1105538
204А-1105510-Б
256Б-1101008-В
250510-П29
250558-П29
250561-П29
349704-П29
257-1104492
315406-П29
315408-П29
315410-П29
250508-П29
250464-П29
257-1101008
БМ146Т-3806600-А
201418-П29
201420-П29
201422-П29
201458-П29
201493-П29
202145-П29
315414-П29
315446-П29
347928-П29
256Б-1103010-10
201-1117124
214Б-2806026
256Б-1101106-10
201-1105552-А
201-1015624
214Б-1104474
347837-П29
256Б-1101078
316144-П29
201-1105516
257-1104650
257-1104469-Б1
256Б-1101104-10
201-1105550
256Б-1101115-20
256Б-1104528
262542-П29
257-1104485-Б
100%
Содержащиеся в справочниках-каталогах запасные части и детали носят исключительно информационный характер