Оригинальные каталоги
| № | Номер | Наименование | Цена | |
|---|---|---|---|---|
| 65032-3724030 | 65032-3724030 | Жгут проводов по лонжерону | Нет в продаже |
|
| ВАК OHM | ВАК OHM | Выключатель стояночной тормозной системы | Нет в продаже |
|
| 5202.3709 | 5202.3709 | Переключатель дополнительного отопителя | Нет в продаже |
|
| 26.3712 | 26.3712 | Фонарь габаритный передний | Нет в продаже |
|
| 65032-3718010 | 65032-3718010 | Гидравлический корректор светового потока фар | Нет в продаже |
|
| С306Г-3721000 | С306Г-3721000 | Сигнал звуковой низкого тона С306Г | Нет в продаже |
|
| 65032-3724030 | 65032-3724030 | Жгут проводов по лонжерону | Нет в продаже |
|
| 650551-3724120 | 650551-3724120 | Жгут проводов фар | Нет в продаже |
|
| 650321-3724030 | 650321-3724030 | Жгут проводов по лонжерону | Нет в продаже |
|
| 65055-3724420 | 65055-3724420 | Жгут фонарей полного габарита | Нет в продаже |
|
| 11.3745000-21 | 11.3745000-21 | Электромагнит клапана противоугонного устройства, блокировки межосевого дифференциала включения низшей передачи, блокировки межколесного дифференциала | Нет в продаже |
|
| 2622.3747000 | 2622.3747000 | Реле блокировки стартера | Нет в продаже |
|
| 65055-3724120 | 65055-3724120 | Жгут проводов фар | Нет в продаже |
|
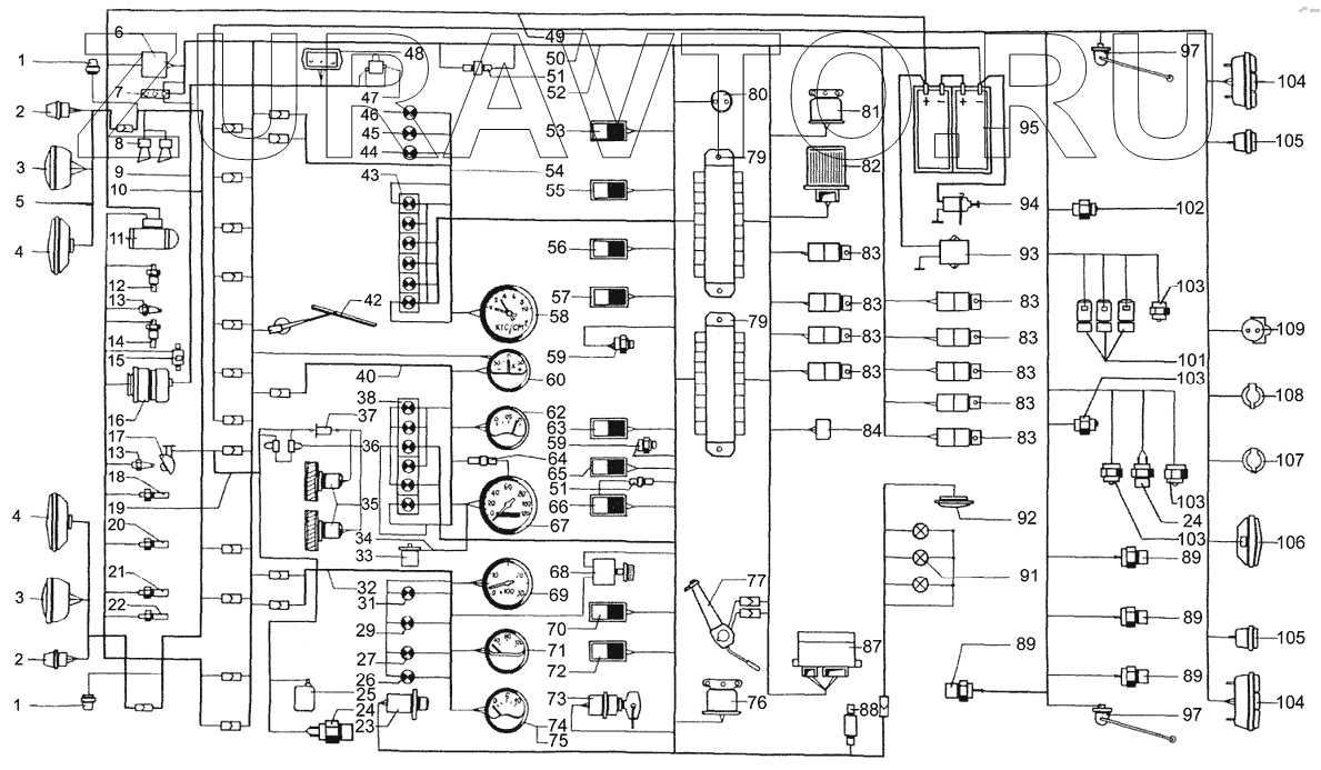
| 1 | УП101-3726000-В | Фонарь освещения знака автопоезда | Нет в продаже |
|
| 2 | 26.3726010 | Указатель поворота передний | Нет в продаже |
|
| 3 | 3413711 | Фара головная | Нет в продаже |
|
| 4 | ФГ152А-3743010 | Фара противотуманная | Нет в продаже |
|
| 5 | 6437-3724120 | Жгут проводов фар | Нет в продаже |
|
| 6 | 111.3722000 | Блок предохранителей центральный | Нет в продаже |
|
| 7 | 15.3723000 | Панель соединительная | Нет в продаже |
|
| 8 | С306Д/ С307Д-3721000-01 | Комплект рупорных звуковых сигналов | Нет в продаже |
|
| 9 | 260-7905010-01 | Жгут проводов генератора | Нет в продаже |
|
| 10 | 6437-3724012-12 | Жгут проводов освещения | Нет в продаже |
|
| 11 | 25.3708000-20 | Стартер | Нет в продаже |
|
| 12 | 13.3839600 | Датчик сигнализации засоренности воздушного фильтра | Нет в продаже |
|
| 13 | 1102.3740 | 1102.3740 - свеча факельная1102.3740 1102.3740 | Нет в продаже |
|
| 14 | ТМ100В-3808000-0 | Датчик указателя температуры воды | Нет в продаже |
|
| 15 | 11.3741000 | Клапан электромагнитный ЭФУ | Нет в продаже |
|
| 16 | 1702.3771 | Генератор | Нет в продаже |
|
| 17 | ПД308Б-3715300-У | Фонарь подкапотной подсветки | Нет в продаже |
|
| 18 | ТМ111-3808000 | Датчик сигнализатора аварийной температуры воды | Нет в продаже |
|
| 19 | 6443-3724089-01 | Жгут проводов переднего щита | Нет в продаже |
|
| 20 | 13.3839600 | Датчик сигнализации засоренности воздушного фильтра | Нет в продаже |
|
| 21 | АДЮИ.407529.001 | Датчик аварийного давления масла | Нет в продаже |
|
| 22 | ММ370-3829010-УХЛ | Датчик указателя давления масла | Нет в продаже |
|
| 23 | 245.3710-01 | Выключатель аварийной сигнализации | Нет в продаже |
|
| 24 | ММ125Д-3810600 | Датчик вспомогательной тормозной системы и сигнала торможения | Нет в продаже |
|
| 25 | 1112.5208000-02 | Электростеклоомыватель | Нет в продаже |
|
| 26 | 2212.3803-23 | Лампа контрольная падения давления масла в двигателе | Нет в продаже |
|
| 27 | 2212.3803-22 | Лампа контрольная аварийной температуры охлаждающей жидкости | Нет в продаже |
|
| 28 | 11.3745 | Электромагнит клапана противоугонного устройства блокировки межосевого дифференциала включениянизшей передачи, блокировки межколесного дифференциала | Нет в продаже |
|
| 29 | 2212.3803-24 | Лампа контрольная засоренности масляного фильтра | Нет в продаже |
|
| 31 | 2212.3803-20 | Лампа контрольная засоренности воздушного фильтра | Нет в продаже |
|
| 32 | 6437-3724055-01 | Жгут проводов приборного щитка левого | Нет в продаже |
|
| 33 | 2001.3843010 | Датчик электроспидометра | Нет в продаже |
|
| 34 | 6437-7905012 | Жгут проводов электроспидометра | Нет в продаже |
|
| 35 | 196.3730 | Электродвигатели отопителя | Нет в продаже |
|
| 36 | СЭ300-8102100 | Сопротивление дополнительное | Нет в продаже |
|
| 37 | КБП-Ф | Конденсатор проходной | Нет в продаже |
|
| 38 | 2312.3803-16 | Блок контрольных ламп | Нет в продаже |
|
| 40 | 6437-3724056-01 | Жгут проводов приборного щитка среднего | Нет в продаже |
|
| 42 | 34.5205010 | Стеклоочиститель электрический | Нет в продаже |
|
| 43 | 2312.3803-15 | Блок контрольных ламп с диодами | Нет в продаже |
|
| 44 | 2212.3803-13 | Лампа контрольная включения блокировки межколесного дифференциала | Нет в продаже |
|
| 45 | 2212.3803-15 | 2212.3803-15 - лампа 2212.3803-15 2212.3803-15 | Нет в продаже |
|
| 46 | 2212.3803-35 | 2212.3803-35 - лампа 2212.3803-35 2212.3803-35 | Нет в продаже |
|
| 47 | 1502.7904010 | Фильтр радиопомех | Нет в продаже |
|
| 48 | 112.3702010 | Регулятор напряжения | Нет в продаже |
|
| 49 | 6437-3724068 | Жгут проводов силовой | Нет в продаже |
|
| 50 | 6437-3724030-33 | Жгут проводов по лонжерону | Нет в продаже |
|
| 51 | 3403.3747000 | Диод разделительный | Нет в продаже |
|
| 52 | 6437-3724010-11 | Жгут проводов основной | Нет в продаже |
|
| 53 | ВКл.1-01.08 | Выключатель плафона кабины | Нет в продаже |
|
| 54 | 6437-3724057-10 | Жгут проводов приборного щитка | Нет в продаже |
|
| 55 | ПКлЛБС-06.74/75 | Переключатель трансмиссии | Нет в продаже |
|
| 56 | ПКл.1-3709000.14.14 | Переключатель блокировки межколесного дифференциала | Нет в продаже |
|
| 57 | П147-3709000.04.11 | Переключатель режимов электродвигателей отопителя | Нет в продаже |
|
| 58 | 1901.3830010-0 | Манометр двухстрелочный | Нет в продаже |
|
| 59 | 11.3704000 | Выключатель нагревателя топлива и ЭФУ | Нет в продаже |
|
| 60 | АП111Б-3811010 | Амперметр | Нет в продаже |
|
| 62 | 34.3806010 | 34.3806010 - приемник указателя уровня топлива 34.3806010 | Нет в продаже |
|
| 63 | ВКл.1-3709000.02.13 | Переключатель датчиков уровня топлива | Нет в продаже |
|
| 64 | ПР118Б-3722000-01 | Предохранитель плавкий 2А | Нет в продаже |
|
| 65 | ПКл.1-3709000.06.16 | Переключатель знака автопоезда | Нет в продаже |
|
| 66 | ПКл.1-3709000.04.03 | Переключатель противо-туманных фар и заднего противотуманного огня | Нет в продаже |
|
| 67 | 1211.1.3802010 | Спидометр | Нет в продаже |
|
| 68 | ВК416Б-3709000-01 | Выключатель света щитка приборов с реостатом | Нет в продаже |
|
| 69 | 2531.3813010 | Тахометр | Нет в продаже |
|
| 70 | ПКл.1-3709000.14.10 | Переключатель стекло-омывателя | Нет в продаже |
|
| 71 | 36-3807010 | Указатель температуры воды | Нет в продаже |
|
| 72 | ПКл.1-3709000.09.09 | Переключатель стеклоочистителя | Нет в продаже |
|
| 74 | 33.3810010 | 33.3810010 - приемник указателя давления 33.3810010 | Нет в продаже |
|
| 75 | А24-2 | Лампа | Нет в продаже |
|
| 76 | 733.3747-10 | 733.3747-10 - реле-сигнализатор 733.3747-10 733.3747-10 | Нет в продаже |
|
| 77 | П145-3726000 | Комбинированный переключатель света и указателей поворота | Нет в продаже |
|
| 79 | ПР112-3722000 | Блок предохранителей освещения и потребителей | Нет в продаже |
|
| 80 | 24.3723001СБ | Розетка переносной лампы | Нет в продаже |
|
| 81 | 2622.3747000 | Реле блокировки стартера | Нет в продаже |
|
| 83 | 11.3747010 | Реле | Нет в продаже |
|
| 84 | РС493-3803010-УХЛ | Реле-прерыватель стояночной тормозной системы | Нет в продаже |
|
| 87 | РС951А-3726010-УХЛ | Реле указателей поворота и аварийной сигнализации | Нет в продаже |
|
| 88 | 12.3741 | Сопротивление тепловое | Нет в продаже |
|
| 89 | ММ124Д-3810600 | Датчик включения стояночной тормозной системы, падения давления воздуха 1-го контура, падения давления воздуха запасного контура | Нет в продаже |
|
| 90 | 171-3711010-ХЛ | Фара поворотная | Нет в продаже |
|
| 91 | УП101В-3726000 | Фонарь знака автопоезда | Нет в продаже |
|
| 92 | ПК201-3714010Д2 | Плафон | Нет в продаже |
|
| 93 | ПС315-3723100-А | Розетка внешнего пуска | Нет в продаже |
|
| 94 | ВК318Б-3704000 | Выключатель "массы" | Нет в продаже |
|
| 95 | 6СТ-190А | Батарея аккумуляторная | Нет в продаже |
|
| 97 | АДЮИ.407511.009 | Датчик указателя уровня топлива | Нет в продаже |
|
| 103 | ВАК-010 | Датчики сигнализации включения блокировки межосевого и межколесного дифференциалов, низшей передачи, заднего хода, отбора мощности, включения демультипликатора | Нет в продаже |
|
| 104 | ФП132АБ-3716010-02 | Фонарь задний | Нет в продаже |
|
| 105 | ФП135-3716010-Г | Фонарь заднего хода | Нет в продаже |
|
| 106 | 2462.3716010 | Фонарь задний противотуманный | Нет в продаже |
|
| 108 | ПС325-3723100 | Розетка штепсельная прицепа | Нет в продаже |
|
| 109 | ПС400-3723000 | Розетка переносной лампы | Нет в продаже |
|
1
1
2
2
3
3
4
4
5
6
7
8
9
10
11
12
13
14
15
16
17
18
19
20
21
22
23
24
24
25
26
27
29
31
32
33
34
35
36
37
38
40
42
43
44
45
46
47
48
49
50
51
51
52
53
54
55
56
57
58
59
59
60
62
63
64
65
66
67
68
69
70
71
72
74
75
76
77
79
79
80
81
83
83
83
83
83
83
83
83
83
84
87
88
89
89
89
89
91
92
93
94
95
97
97
103
103
103
103
104
104
105
105
106
108
109
Содержащиеся в справочниках-каталогах запасные части и детали носят исключительно информационный характер