Оригинальные каталоги
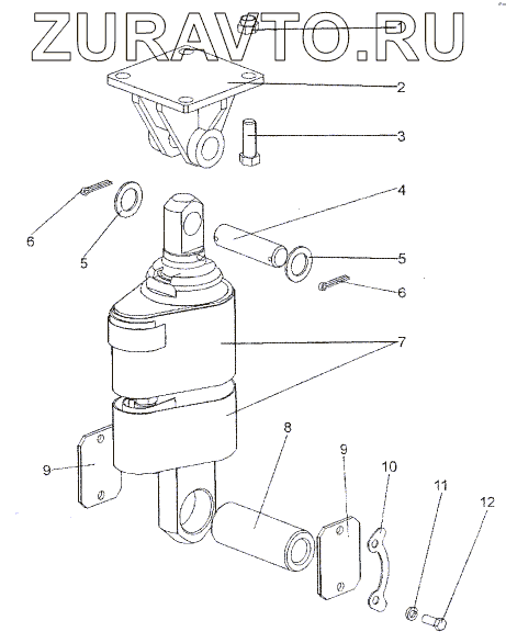
| № | Номер | Наименование | Цена | |
|---|---|---|---|---|
| 1 | 374634 | Гайка М16х1,5-6Н | Нет в продаже |
|
| 2 | 93782-8525050 | Кронштейн | Нет в продаже |
|
| 3 | 371341-01 | Болт М16х1,5-6gх45 | Нет в продаже |
|
| 4 | 93782-8525100 | Палец | Нет в продаже |
|
| 5 | 376212 | Шайба 28 | Нет в продаже |
|
| 6 | 258069 | Шплинт 5х36 | Нет в продаже |
|
| 7 | 93782-8525008 | Гидроцилиндр с кожухом | Нет в продаже |
|
| 8 | 93782-8525108 | Труба | Нет в продаже |
|
| 9 | 99943-8525106 | Крышка | Нет в продаже |
|
| 10 | 7922-1907075 | Пластина стопорная | Нет в продаже |
|
| 11 | 252136 | Шайба 10 ОТ | Нет в продаже |
|
| 12 | 201497 | Болт М10-6gх25 | Нет в продаже |
|
1
2
3
4
5
5
6
6
7
8
9
9
10
11
12
Содержащиеся в справочниках-каталогах запасные части и детали носят исключительно информационный характер