Оригинальные каталоги
| № | Номер | Наименование | Цена | |
|---|---|---|---|---|
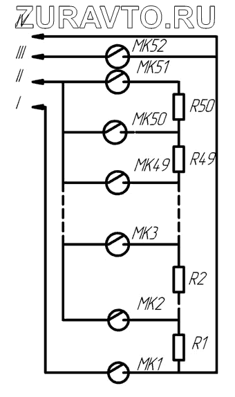
| МК1-МК52 | МК1-МК52 | Контакт магнитоуправляемый герметизированный | Нет в продаже |
|
| R1-R50 | R1-R50 | Резистор | Нет в продаже |
|
МК1-МК52
МК1-МК52
МК1-МК52
МК1-МК52
МК1-МК52
МК1-МК52
МК1-МК52
R1-R50
R1-R50
R1-R50
R1-R50
Содержащиеся в справочниках-каталогах запасные части и детали носят исключительно информационный характер