Назад

Оригинальные каталоги

zoom-in zoom-out enlarge shrink circle-right circle-left file-text2 info cart
Номер Наименование Цена
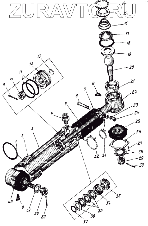
4320-3405075 4320-3405075 Наконечник цилиндра гидроусилителя в сборе Нет в продаже
4320-3405060 4320-3405060 Наконечник штока гидроусилителя в сборе Нет в продаже
375-3405030-10 375-3405030-10 Шток с поршнем в сборе Нет в продаже
1 375-3405084 Кольцо уплотнительное Нет в продаже
2 375-3405081 Гайка наконечника Нет в продаже
3 375-3405013 Цилиндр гидроусилителя с крышкой и втулкой в сборе Нет в продаже
4 375-3407603-Б Штуцер Нет в продаже
5 375-3405046 Шток Нет в продаже
6 200367-П29 Болт М12-6gх45 Нет в продаже
7 3715-3405051 Муфта защитная штока Нет в продаже
8 264040-П29 Масленка 2.3.90.01 в сборе Нет в продаже
9 268053-П29 Шплинт 4Х25.016 Нет в продаже
10 334933-П29 Гайка М22х1,5 Нет в продаже
11 060-070-58-2-2 Кольцо уплотнительное Нет в продаже
12 375-3405037-01 Поршень Нет в продаже
13 375-3405041 Полукольцо штока Нет в продаже
14 376-3003122 Кольцо стопорное Нет в продаже
15 375-3003129 Заглушка Нет в продаже
16 375-3003128 Пружина Нет в продаже
17 4320-3414085 Обойма пружины Нет в продаже
18 4320-3414127 Уплотнитель Нет в продаже
19 375-3003059 Вкладыш нижний Нет в продаже
20 3753003065 Палец Нет в продаже
21 375-3003058-10 Вкладыш верхний Нет в продаже
22 4320-3405061 Наконечник штока Нет в продаже
23 252137-П9 Шайба пружинная 12 Нет в продаже
24 250514-П29 Гайка М12-6Н Нет в продаже
25 43120-3414076 Муфта защитная в сборе Нет в продаже
26 4320-3414078 Накладка муфты Нет в продаже
27 221578-П28 Винт М5-6gХ12.48.016 Нет в продаже
28 4320-3414095 Шайба Нет в продаже
29 334837-П29 Гайка М18х1,5 Нет в продаже
30 258054-П29 Шплинт 4х32 Нет в продаже
31 339093-П2 Хомут Нет в продаже
32 339153-П2 Хомут Нет в продаже
33 335058-П29 Гайка М45х1,5 Нет в продаже
34 375-3405050 Кольцо нажимное в сборе Нет в продаже
35 339173 Манжета Нет в продаже
36 339172 Кольцо опорное Нет в продаже
37 375-3405029 Кольцо уплотнительное Нет в продаже
38 334832-П29 Гайка М18х1,5 крепления гидроусилителя Нет в продаже
39 336024-П29 Шайба 19 Нет в продаже
40 4320-3406076 Наконечник цилиндра Нет в продаже
1
2
3
4
5
6
7
8
8
9
10
11
12
13
14
15
16
17
18
19
20
21
22
23
24
25
26
27
28
29
30
30
31
32
33
34
35
36
37
38
39
40
100%
Содержащиеся в справочниках-каталогах запасные части и детали носят исключительно информационный характер