Оригинальные каталоги
| № | Номер | Наименование | Цена | |
|---|---|---|---|---|
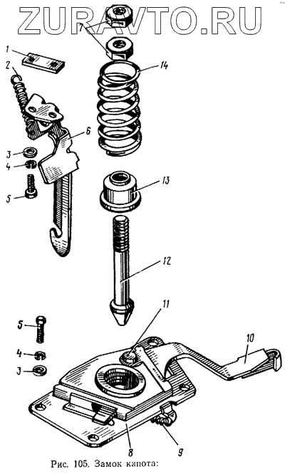
| 1 | 130-8406065 | Пластина крепления кронштейна предохранителя | Нет в продаже |
|
| 2 | 120-3507048 | Пружина предохранителя открывания капота | Нет в продаже |
|
| 3 | 252004-П8 | Шайба плоская | Нет в продаже |
|
| 4 | 252134-П2 | Шайба пружинная | Нет в продаже |
|
| 5 | 201418-П8 | Болт | Нет в продаже |
|
| 6 | 130-8406060 | Предохранитель запора капота в сборе | Нет в продаже |
|
| 7 | 250633-П8 | Гайка | Нет в продаже |
|
| 8 | 130-8406012 | Корпус запора капота с рычагом и пружиной в сборе | Нет в продаже |
|
| 9 | 111-8402616-Б | Пружина рычага запора капота | Нет в продаже |
|
| 10 | 130-8406031-А | Рычаг запора капота | Нет в продаже |
|
| 11 | 130-6105057 | Ось рычага запора капота | Нет в продаже |
|
| 12 | 130-8406037 | Штырь запора капота | Нет в продаже |
|
| 13 | 130-8406079 | Чашка упорная запора капота | Нет в продаже |
|
| 14 | 130-8406041 | Пружина штыря | Нет в продаже |
|
1
2
3
3
4
4
5
5
6
7
8
9
10
11
12
13
14
Содержащиеся в справочниках-каталогах запасные части и детали носят исключительно информационный характер