Назад

Оригинальные каталоги

zoom-in zoom-out enlarge shrink circle-right circle-left file-text2 info cart
Номер Наименование Цена
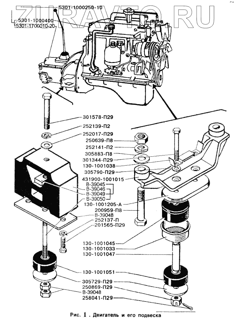
200959-П8 200959-П8 Болт Нет в продаже
130-1001045 130-1001045 Подушка опоры двигателя верхняя Нет в продаже
130-1001051 130-1001051 Подушка опоры двигателя нижняя Нет в продаже
5301-1000250-10 5301-1000250-10 Силовой агрегат Нет в продаже
130-1001038 130-1001038 Фиксатор болтов передней опоры двигателя Нет в продаже
252017-П29 252017-П29 Шайба Нет в продаже
305729-П29 305729-П29 Шайба Нет в продаже
305790-П29 305790-П29 Шайба Нет в продаже
305883-П8 305883-П8 Шайба Нет в продаже
252137-П2 252137-П2 Шайба пружинная Нет в продаже
252139-П2 252139-П2 Шайба пружинная Нет в продаже
252141-П2 252141-П2 Шайба пружинная Нет в продаже
В-39050 В-39050 Шпилька Нет в продаже
258041-П29 258041-П29 Шплинт Нет в продаже
В-39045 В-39045 Подушка задней опоры двигателя в сборе Нет в продаже
В-39046 В-39046 Подушка задней опоры двигателя Нет в продаже
В-39049 В-39049 Пластина Нет в продаже
201565-П29 201565-П29 Болт Нет в продаже
301344-П29 301344-П29 Болт Нет в продаже
301578-П29 301578-П29 Болт Нет в продаже
130-1001047 130-1001047 Втулка распорная Нет в продаже
250615-П29 250615-П29 Гайка Нет в продаже
250639-П8 250639-П8 Гайка Нет в продаже
250869-П29 250869-П29 Гайка Нет в продаже
130-1001033 130-1001033 Гнездо верхней подушки подвески двигателя Нет в продаже
5301-1000400 5301-1000400 Двигатель в сборе (ММЗ-245.12) Нет в продаже
130-1001205-А 130-1001205-А Колпак защитный верхних подушек передней опоры двигателя Нет в продаже
5301-1700010-20 5301-1700010-20 Коробка передач в сборе Нет в продаже
431900-1001015 431900-1001015 Кронштейн передней опоры двигателя Нет в продаже
В-39048 В-39048 Накладка Нет в продаже
140-8104076 140-8104076 Штуцер Нет в продаже
200959-П8
130-1001045
130-1001051
5301-1000250-10
130-1001038
252017-П29
305729-П29
305790-П29
305883-П8
252137-П2
252139-П2
252141-П2
В-39050
258041-П29
В-39045
В-39046
В-39049
201565-П29
301344-П29
301578-П29
130-1001047
250639-П8
250869-П29
130-1001033
5301-1000400
130-1001205-А
5301-1700010-20
431900-1001015
В-39048
В-39048
100%
Содержащиеся в справочниках-каталогах запасные части и детали носят исключительно информационный характер