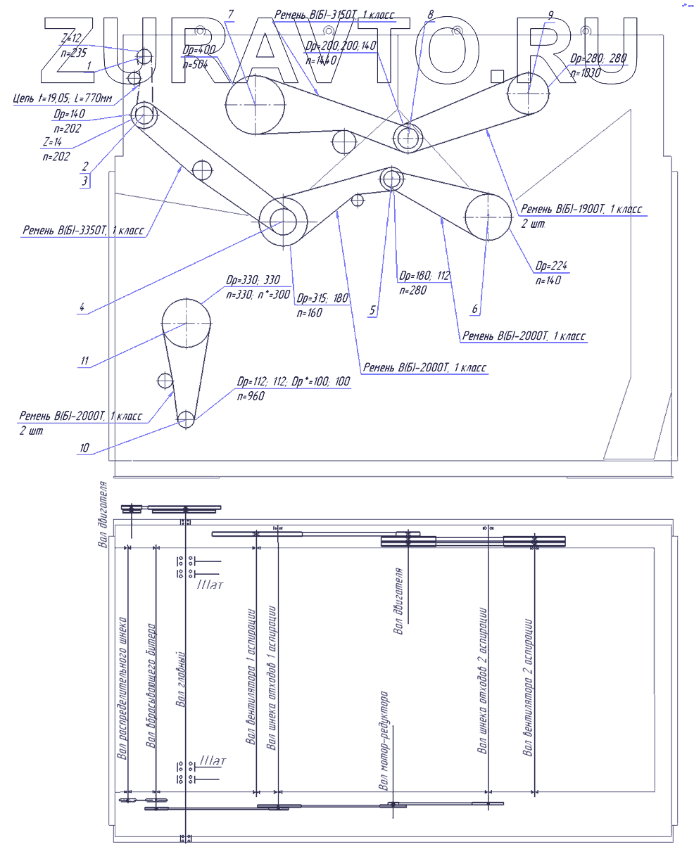
Оригинальные каталоги
| № | Номер | Наименование | Цена | |
|---|---|---|---|---|
| 1 | СММ00.601 | Звездочка | Нет в продаже |
|
| 2 | СВУ60.02.612 | Звездочка | Нет в продаже |
|
| 3 | СВУ60.02.102 | Шкив | Нет в продаже |
|
| 4 | СВУ60.02.103 | Шкив | Нет в продаже |
|
| 5 | СВУ60.00.101-01 | Шкив | Нет в продаже |
|
| 6 | СВУ60.03.107А | Шкив | Нет в продаже |
|
| 7 | СВУ60.02.101 | Шкив | Нет в продаже |
|
| 8 | СВУ60.00.105 | Шкив | Нет в продаже |
|
| 9 | СВУ60.03.106 | Шкив | Нет в продаже |
|
| 10 | СВУ60.00.102 | Шкив | Нет в продаже |
|
| 10 | СВУ60.00.102-01 | Шкив 2-х ручьевой Dрасч. 112, сеч В(Б) Dрасч. 112, сеч В(Б), d вала в мм=28 | Нет в продаже |
|
| 11 | СВУ60.05.104А | Шкив | Нет в продаже |
|
1
2
3
4
5
6
7
8
9
10
10
11
Содержащиеся в справочниках-каталогах запасные части и детали носят исключительно информационный характер