Оригинальные каталоги
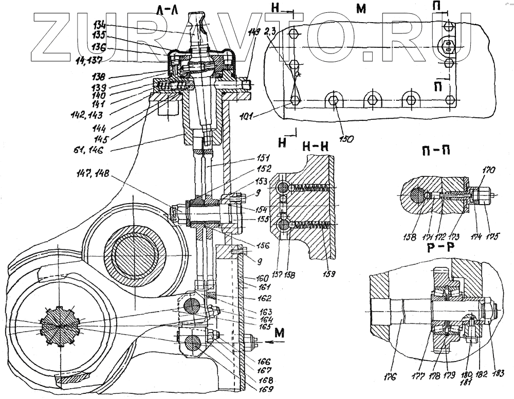
| № | Номер | Наименование | Цена | |
|---|---|---|---|---|
| 2 | 1х6х10.АД1М ГОСТ 18677-73 | Пломба | Нет в продаже |
|
| 3 | КО-0,5 ГОСТ 792-67 | Проволока, L=3000мм | Нет в продаже |
|
| 9 | M8-6gx20.109.40X.019 ГОСТ 7798-70 | Болт | Нет в продаже |
|
| 14 | 8Т.65Г.019 ГОСТ 6402-70 | Шайба | Нет в продаже |
|
| 61 | M10-6gx30.109.40X.019 ГОСТ 7798-70 | Болт | Нет в продаже |
|
| 101 | 3M8-6gx25.109.40X.019 ГОСТ 7798-70 | Болт | Нет в продаже |
|
| 134 | 72.3517.007 | Рычаг переключения | Нет в продаже |
|
| 135 | 72.3517.019 | Чехол | Нет в продаже |
|
| 136 | 72.3517.026 | Крышка | Нет в продаже |
|
| 137 | M8-6gx16.66.019 ГОСТ 11738-84 | Винт | Нет в продаже |
|
| 138 | 72.3517.021 | Прокладка | Нет в продаже |
|
| 139 | 72.3517.018 | Штифт | Нет в продаже |
|
| 140 | 055-061-36-1-6 ГОСТ 18829-73 | Кольцо | Нет в продаже |
|
| 141 | 72.3517.004 | Седло | Нет в продаже |
|
| 142 | 72.3517.015 | Пружина | Нет в продаже |
|
| 143 | 72.3517.023 | Пружина | Нет в продаже |
|
| 144 | 72.3517.006 | Толкатель | Нет в продаже |
|
| 145 | 063-069-36-1-6 ГОСТ 18829-73 | Кольцо | Нет в продаже |
|
| 146 | 72.3517.002 | Корпус | Нет в продаже |
|
| 147 | 2.М16х1,5-6Н.5.019 ГОСТ 5918-73 | Гайка | Нет в продаже |
|
| 148 | 4х32.019 ГОСТ 397-79 | Шплинт | Нет в продаже |
|
| 149 | 72.3517.008 | Пробка | Нет в продаже |
|
| 150 | М8-6gх20.109.40Х.019 ГОСТ 7796-70 | Болт | Нет в продаже |
|
| 151 | 72.3517.100 | Рычаг | Нет в продаже |
|
| 152 | 72.3517.022 | Шайба | Нет в продаже |
|
| 153 | 72.3517.022-01 | Шайба | Нет в продаже |
|
| 154 | 023-028-30-1-6 ГОСТ 18829-73 | Кольцо | Нет в продаже |
|
| 155 | 72.3517.001 | Ось | Нет в продаже |
|
| 156 | 72.3517.022-02 | Шайба | Нет в продаже |
|
| 157 | 72.3517.025 | Фиксатор | Нет в продаже |
|
| 158 | 10,0-60 ГОСТ 3722-81 | Шарик | Нет в продаже |
|
| 159 | 72.3517.024 | Пружина | Нет в продаже |
|
| 160 | 72.3500.044 | Крышка | Нет в продаже |
|
| 161 | 72.3500.045 | Прокладка | Нет в продаже |
|
| 162 | 72.3517.011 | Поводок | Нет в продаже |
|
| 162 | 72.3517.028 | Поводок | Нет в продаже |
|
| 163 | 72.3517.027 | Поводок | Нет в продаже |
|
| 163 | 72.3517.009 | Поводок | Нет в продаже |
|
| 164 | 72.3517.012 | Шток | Нет в продаже |
|
| 165 | 72.3517.014 | Вилка | Нет в продаже |
|
| 165 | 72.3517.029 | Вилка | Нет в продаже |
|
| 166 | 72.3517.005 | Винт стопорный | Нет в продаже |
|
| 167 | 72.3517.016 | Гайка | Нет в продаже |
|
| 168 | 72.3517.017 | Шайба | Нет в продаже |
|
| 169 | 72.3517.013 | Шток | Нет в продаже |
|
| 170 | 05.3500.084 | Прокладка | Нет в продаже |
|
| 171 | 72.3500.054 | Толкатель | Нет в продаже |
|
| 172 | 72.3500.056 | Пружина | Нет в продаже |
|
| 173 | 72.3500.057 | Прокладка | Нет в продаже |
|
| 174 | 72.3500.055 | Штуцер | Нет в продаже |
|
| 175 | ВК403 ТУ 37.063.188-76 | Выключатель | Нет в продаже |
|
| 176 | 72.3500.041 | Ось | Нет в продаже |
|
| 177 | 7306 ТУ 37.006.162-89 | Подшипник | Нет в продаже |
|
| 178 | 05.3500.051 | Кольцо | Нет в продаже |
|
| 179 | 05.3500.052 | Шестерня | Нет в продаже |
|
| 180 | 05.3500.064 | Винт | Нет в продаже |
|
| 181 | 72.3500.043 | Пластина стопорная | Нет в продаже |
|
| 182 | 72.3500.042 | Втулка | Нет в продаже |
|
| 183 | 72.3500.019 | Гайка | Нет в продаже |
|
2
3
9
9
14
61
101
134
135
136
137
138
139
140
141
142
143
144
145
146
147
148
149
150
151
152
153
154
155
156
157
158
158
159
160
161
162
162
163
163
164
165
165
166
167
168
169
170
171
172
173
174
175
176
177
178
179
180
181
182
183
Содержащиеся в справочниках-каталогах запасные части и детали носят исключительно информационный характер