Назад

Оригинальные каталоги

zoom-in zoom-out enlarge shrink circle-right circle-left file-text2 info cart
Номер Наименование Цена
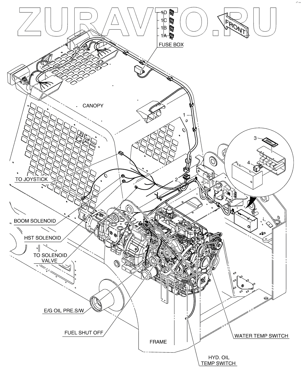
1 K1022028 HARNESS;CANOPY Нет в продаже
2 K1022050 HARNESS;E/G Нет в продаже
3 K1022197 PLATE;NAME(RELAY INST.) Нет в продаже
K1022158 K1022158 ELECTRIC WIRING Нет в продаже
1
2
3
100%
Содержащиеся в справочниках-каталогах запасные части и детали носят исключительно информационный характер