Оригинальные каталоги
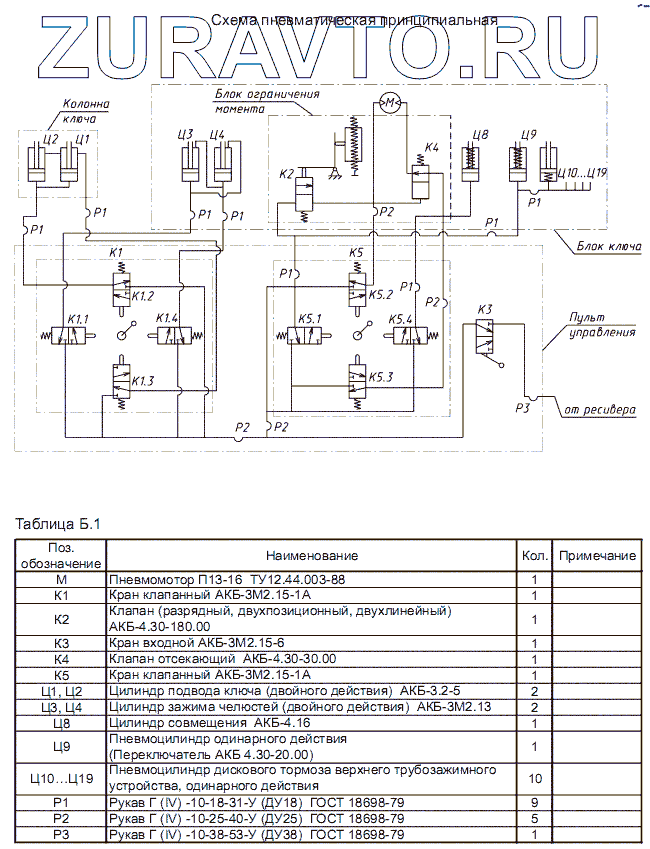
| № | Номер | Наименование | Цена | |
|---|---|---|---|---|
| М | П13-16 | Пневмомотор П13-16 | Нет в продаже |
|
| К1 | АКБ-3М2.15-1А | Кран клапанный | Нет в продаже |
|
| К2 | АКБ-4.30-180.00 | Клапан | Нет в продаже |
|
| КЗ | АКБ-3М2.15-6 | Кран входной | Нет в продаже |
|
| К4 | АКБ-4.30-30.00 | Клапан отсекающий | Нет в продаже |
|
| К5 | АКБ-3М2.15-1А | Кран клапанный | Нет в продаже |
|
| Ц1 ( Ц2) | АКБ-3.2-5 | Цилиндр подвода ключа | Нет в продаже |
|
| ЦЗ ( Ц4) | АКБ-3М2.13 | Цилиндр зажима челюстей (двойного действия) АКБ-3М2.13 | Нет в продаже |
|
| Ц8 | АКБ-4.16 | Цилиндр совмещения | Нет в продаже |
|
| Ц9 | Пневмоцилиндр одинарного действия | Пневмоцилиндр одинарного действия | Нет в продаже |
|
| Ц10 - Ц19 | Пневмоцилиндр дискового тормоза | Пневмоцилиндр дискового тормоза верхнего трубозажимного устройства, одинарного действия | Нет в продаже |
|
| Р1 | Г (IV) -10-18-31-У (ДУ18) | Рукав Г (IV) -10-18-31-У (ДУ18) | Нет в продаже |
|
| Р2 | Г (IV) -10-25-40-У (ДУ25) | Рукав Г (IV) -10-25-40-У (ДУ25) | Нет в продаже |
|
| РЗ | Г (IV) -10-38-53-У (ДУ38) | Рукав Г (IV) -10-38-53-У (ДУ38) | Нет в продаже |
|
М
К1
К2
КЗ
К4
К5
Ц1 ( Ц2)
ЦЗ ( Ц4)
Ц8
Ц9
Ц10 - Ц19
Р1
Р1
Р1
Р1
Р1
Р1
Р1
Р1
Р2
Р2
Р2
Р2
РЗ
Содержащиеся в справочниках-каталогах запасные части и детали носят исключительно информационный характер