Оригинальные каталоги
| № | Номер | Наименование | Цена | |
|---|---|---|---|---|
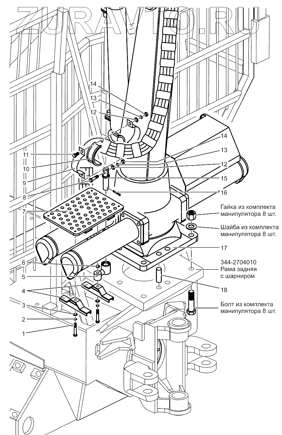
| 344-4500110 | 344-4500110 | Оборудование грузоподъемное | Нет в продаже |
|
| 1 | M10-6gx70.88.35.019 | Болт | Нет в продаже |
|
| 2 | 4598166067 | Шайба 10ОТ | Нет в продаже |
|
| 3 | С.10.01.019 | Шайба | Нет в продаже |
|
| 4 | 354М1-4500060 | Кронштейн | Нет в продаже |
|
| 5 | 344-4500125 | Кронштейн | Нет в продаже |
|
| 5 | 344-4500120 | Кронштейн | Нет в продаже |
|
| 6 | М10-6Н.04.019 | Гайка | Нет в продаже |
|
| 7 | 354М1-4500070 | Площадка опорная | Нет в продаже |
|
| 8 | М8-6gх35.88.35.019 | Болт | Нет в продаже |
|
| 9 | 344-4500126 | Хомут | Нет в продаже |
|
| 10 | 344-4500127 | Уплотнение | Нет в продаже |
|
| 11 | М8-6gх20.88.35.019 | Болт | Нет в продаже |
|
| 12 | С.8.01.019 | Шайба | Нет в продаже |
|
| 13 | 4598166046 | Шайба 8Т | Нет в продаже |
|
| 14 | М8-6Н.6.019 | Гайка | Нет в продаже |
|
| 15 | 344-4500129 | Вал | Нет в продаже |
|
| 16 | 6,3x36.019 | Шплинт | Нет в продаже |
|
| 17 | 577550 | Манипулятор | Нет в продаже |
|
| 18 | 354М-4500003 | Штифт | Нет в продаже |
|
1
2
3
4
5
5
6
7
8
9
10
11
12
12
13
13
14
14
15
16
17
18
Содержащиеся в справочниках-каталогах запасные части и детали носят исключительно информационный характер