Назад

Оригинальные каталоги

zoom-in zoom-out enlarge shrink circle-right circle-left file-text2 info cart
Номер Наименование Цена
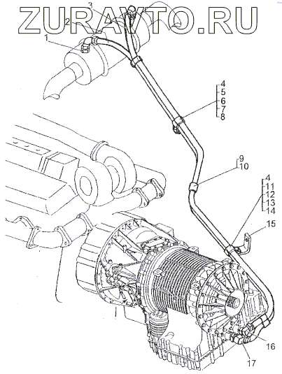
1 0001-1719038 Штуцер 20МВ-16МJ N7253-86909 Нет в продаже
2 0001-1719045 Шланг 16С5Е-16RFgх-16RFgх90-100 Нет в продаже
3 0001-1719044 Шланг 16G5Е-16RFgх-16RFХ90-93 1/2 Нет в продаже
4 543-3506226-А Прокладка резиновая Д4101.545 Нет в продаже
5 201422 Болт М6-6gх25 Нет в продаже
6 250508 Гайка М6-6Н Нет в продаже
7 252134 Шайба 6Т Нет в продаже
8 379675 Кляммер Нет в продаже
9 543-3724247-А Прокладка Нет в продаже
10 409402 Хомут 65 Нет в продаже
11 201497 Болт М10-6gх25 Нет в продаже
12 250512 Гайка М10-6Н Нет в продаже
13 252156 Шайба 10Л Нет в продаже
14 379201 Кляммер Нет в продаже
15 79221-1922132 Кронштейн Нет в продаже
16 0001-1719039 Соединитель 16МВ-16МJ90 №7253-86929 Нет в продаже
17 8021-1719050 Угольник Нет в продаже
1
2
3
4
4
5
6
7
8
9
10
11
12
13
14
15
16
17
100%
Содержащиеся в справочниках-каталогах запасные части и детали носят исключительно информационный характер