Оригинальные каталоги
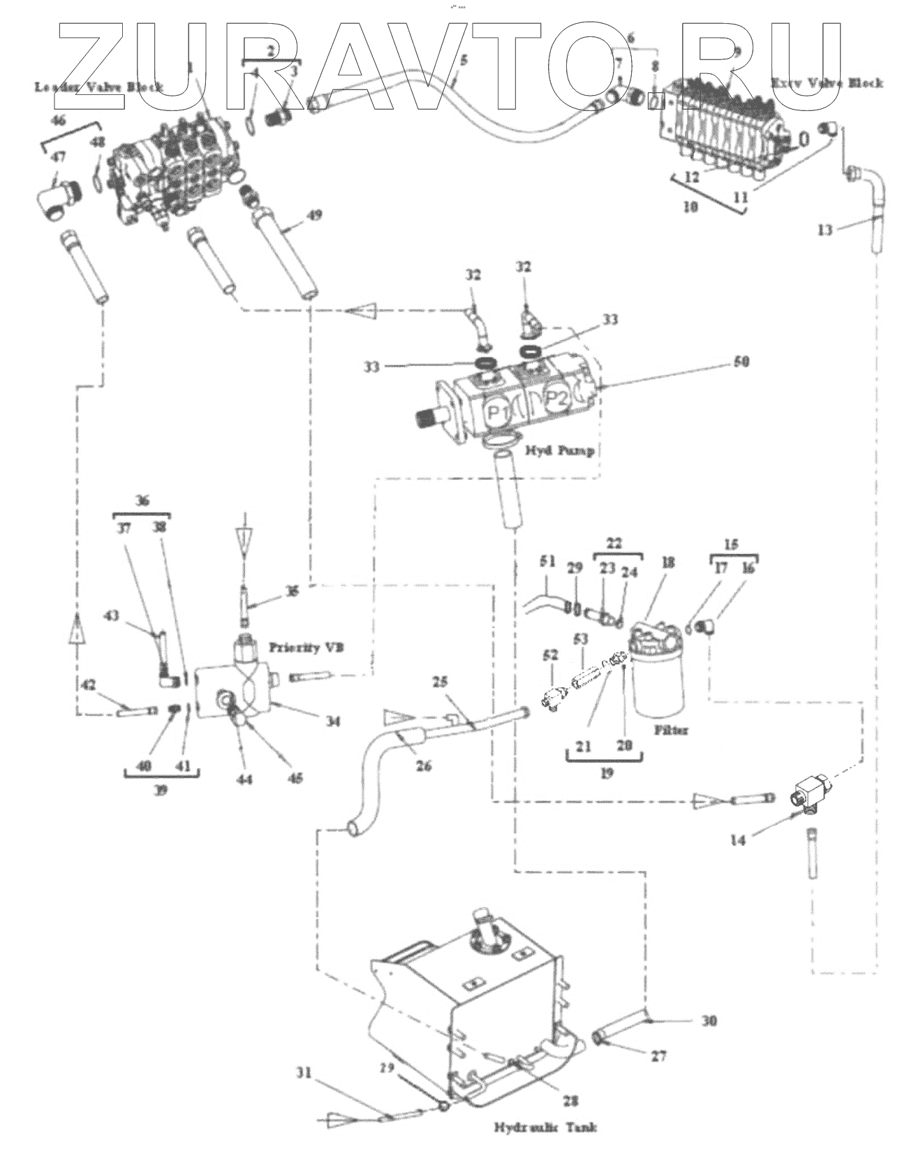
| № | Номер | Наименование | Цена | |
|---|---|---|---|---|
| 1 | 1H0184 | 3-золотниковый гидрораспределитель | Нет в продаже |
|
| 2 | 1H0209 | Адаптер в сборе | Нет в продаже |
|
| 3 | 1H0208 | Переходник | Нет в продаже |
|
| 4 | 835026M1 | Кольцевое уплотнение | Нет в продаже |
|
| 5 | 1H0246 | Шланг высокого давления | Нет в продаже |
|
| 6 | 1H0309 | Колено в сборе | Нет в продаже |
|
| 7 | 1H0310 | Адаптер | Нет в продаже |
|
| 8 | 835026M1 | Кольцевое уплотнение | Нет в продаже |
|
| 9 | 1H0469 | 7-золотниковый гидрораспределитель экскаваторного оборудования | Нет в продаже |
|
| 10 | 358766X91 | Угольник 90 | Нет в продаже |
|
| 11 | 358757X1 | Угольник | Нет в продаже |
|
| 12 | 835026M1 | Кольцевое уплотнение | Нет в продаже |
|
| 13 | 1H0097 | Шланг обратного слива экскаваторного оборудования | Нет в продаже |
|
| 14 | 371674X1 | Муфта шарнира | Нет в продаже |
|
| 15 | 358766X91 | Колено | Нет в продаже |
|
| 16 | 358757X1 | Угольник | Нет в продаже |
|
| 17 | 835026M1 | Кольцевое уплотнение | Нет в продаже |
|
| 18 | 1H0218 | Оголовок фильтра гидравлического | Нет в продаже |
|
| 19 | 6109845M91 | Адаптер в сборе | Нет в продаже |
|
| 20 | Штуцер | Штуцер по стандарту DKO | Нет в продаже |
|
| 21 | O-RING | Кольцо | Нет в продаже |
|
| 22 | 6107562M92 | Переходник | Нет в продаже |
|
| 23 | Адаптер | Адаптер | Нет в продаже |
|
| 24 | 835024M1 | Уплотнение | Нет в продаже |
|
| 25 | 1H0107 | Трубка обратного слива в бак в сборе | Нет в продаже |
|
| 26 | 6112871M1 | Шланг сливной | Нет в продаже |
|
| 27 | 3517413M1 | Хомут червячный | Нет в продаже |
|
| 28 | 3517738M1 | Хомут червячный | Нет в продаже |
|
| 29 | 3517410M1 | Хомут | Нет в продаже |
|
| 30 | 6111531M1 | Шланг всасывания | Нет в продаже |
|
| 31 | 1TA0035M1 | Шланг гидравлический нижний | Нет в продаже |
|
| 32 | 6112853M91 | Шланг напорный | Нет в продаже |
|
| 33 | 359300X1 | Уплотнение | Нет в продаже |
|
| 34 | 1H0448 | Клапан приоритетный | Нет в продаже |
|
| 35 | 1H0062-20 | Рукав в сборе | Нет в продаже |
|
| 36 | 358762X91 | Угольник | Нет в продаже |
|
| 37 | 358753X1 | Угольник | Нет в продаже |
|
| 38 | 831497M1 | Кольцо | Нет в продаже |
|
| 39 | 3517847M91 | Соединительная муфта в сборе | Нет в продаже |
|
| 40 | 3517854M1 | Соединительная муфта | Нет в продаже |
|
| 41 | 835024M1 | Уплотнение | Нет в продаже |
|
| 42 | 6112897M91 | Шланг в сборе | Нет в продаже |
|
| 43 | 1H0099 | Рукав в сборе | Нет в продаже |
|
| 44 | 339369X1 | Шайба | Нет в продаже |
|
| 45 | 339368X1 | Болт | Нет в продаже |
|
| 46 | 1H0267 | Угольник в сборе | Нет в продаже |
|
| 47 | 1H0266 | Угольник | Нет в продаже |
|
| 48 | 835026M1 | Кольцевое уплотнение | Нет в продаже |
|
| 49 | 1H0200 | Шланг в сборе | Нет в продаже |
|
| 50 | 6111152M92 | Насос в сборе | Нет в продаже |
|
| 51 | 1H0030 | Шланг | Нет в продаже |
|
| 52 | 358748X91 | Тройник | Нет в продаже |
|
| 53 | T103247 | Клапан фильтра | Нет в продаже |
|
1
2
3
4
5
6
7
8
9
10
11
12
13
14
15
16
17
18
19
20
21
22
23
24
25
26
27
28
29
29
30
31
32
32
33
33
34
35
36
37
38
39
40
41
42
43
44
45
46
47
48
49
50
51
52
53
Содержащиеся в справочниках-каталогах запасные части и детали носят исключительно информационный характер